Траверса на вилы

Траверса на вилы погрузчика ТГ-ВП предназначена для транспортировки грузов при помощи погрузчика. Траверса ТГ-ВП имеет удобную конструкцию и малый вес.
Текстильные стропы в комплект поставки не входят.
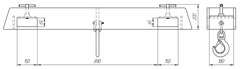
Общий вид:
Технические характеристики:
|
Обозначение |
Г/п, т |
Габариты траверсы, мм |
Масса траверсы,кг |
|
ТГ-ТВП-2,5 |
2,5 |
1400х180х200 |
50,0 |







